+34 986 211 500 nv@nunezvigo.com

INGENIERÍA NAVAL E INDUSTRIAL A MEDIDA

Proyectos de ingeniería naval e industrial a medida

En Núñez Vigo contamos con una oficina técnica de ingeniería naval e industrial a medida encargada del estudio, desarrollo y diseño de proyectos hidráulicos, neumáticos y mecánicos. Valoramos las necesidades de nuestros clientes desde la etapa conceptual hasta la finalización del proceso de producción, incluyendo montaje, suministros y reparaciones futuras.

Contamos con décadas de experiencia que nos permite ofrecer proyectos de diseño y fabricación a medida.

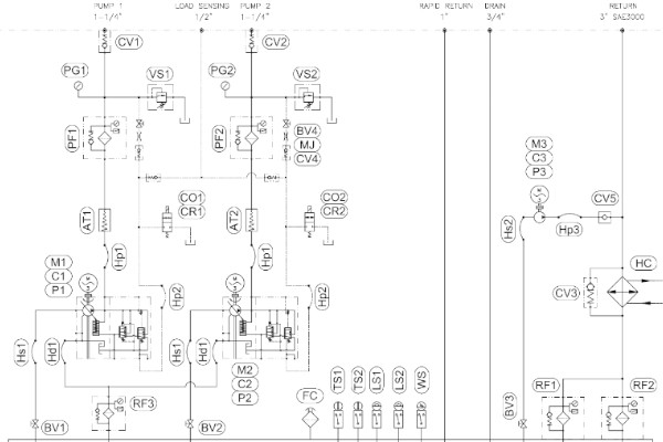
Nuestros ingenieros desarrollan proyectos respaldados por la tecnología más avanzada del mercado y sistemas de control electrónico patentados. Diseñan circuitos, soluciones hidráulicas y neumáticas, simulación por ordenador, cálculo de estructuras y maquinaria.

Somos capaces de ofrecer a nuestros clientes con necesidades fuera de catálogo, soluciones innovadoras que garanticen su satisfacción. Cada caso es estudiado por nuestros ingenieros de una manera individualizada con el fin de conseguir el concepto adecuado para el cliente.

Basados en la experiencia, nuestra oficina técnica busca continuamente nuevas soluciones que puedan facilitar o mejorar las ya existentes, para ofrecer a nuestros clientes proyectos personalizados y adaptados a sus necesidades.

Además, contamos con una amplia plantilla de profesionales en taller, que apoyan los diseños del departamento de ingeniería con la fabricación de los proyectos y pruebas. Para ello disponemos de instalaciones equipadas con bancos de pruebas que facilitan a nuestros ingenieros recopilar datos verídicos para su estudio y mejoras de los proyectos de investigación.

Nuestras soluciones cumplen con todos los requisitos exigidos por las Sociedades de Clasificación.

¿Empezamos un proyecto juntos?

CONTÁCTANOS

ingeniería naval a medida
ingeniería naval a medida
ingeniería naval a medida
ingeniería naval a medida
marca nuñez vigo
Resumen de privacidad

Esta web utiliza cookies para que podamos ofrecerte la mejor experiencia de usuario posible. La información de las cookies se almacena en tu navegador y realiza funciones tales como reconocerte cuando vuelves a nuestra web o ayudar a nuestro equipo a comprender qué secciones de la web encuentras más interesantes y útiles.